德宏州人民政府
德宏州发展和改革委员会

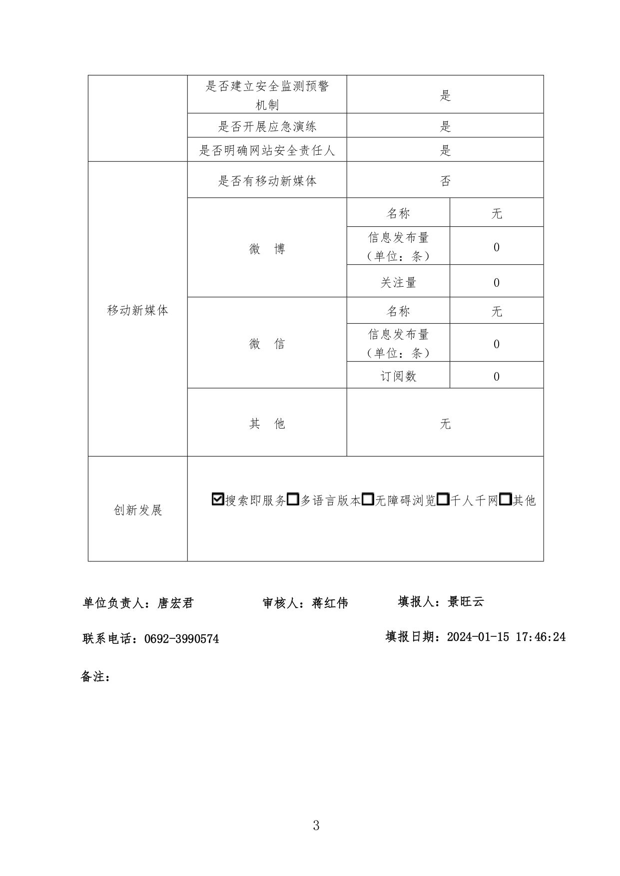
2023年政府网站工作年度报表

浏览量:1118   作者:  日期:2026/1/21