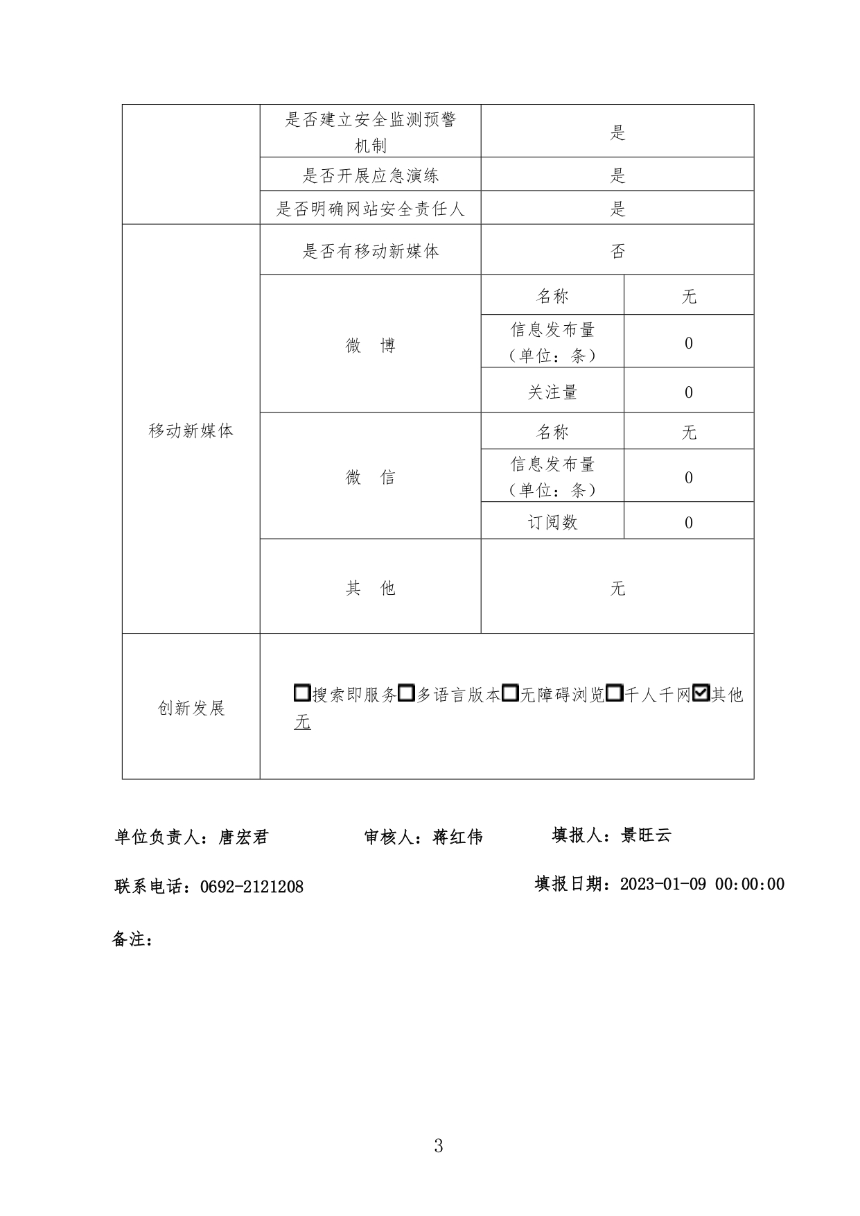
主办单位:德宏州人民政府 滇ICP备17006903号-1 滇公网安备 53310302000145号 地址:德宏州芒市勇罕街5号 电话:2121549 2121322 政府网站标识码:5331000002 邮编:678400