德水建管〔2021〕25号
局机关各科室、各直属单位,各县市水利局,陇川县麻栗坝灌区管理局,云南省水文水资源局德宏分局:
现将《德宏州水利工程评标专家库管理办法》印发你们,请认真贯彻执行。
德宏州水利局
2021年8月6日
(此件公开发布)
德宏州水利工程评标专家库管理办法
第一章 总 则
第一条 为加强德宏州水利工程评标专家库和评标专家的管理,健全评标专家库制度,保证评标活动的公平、公正,提高评标质量,根据《中华人民共和国招标投标法》、《中华人民共和国招标投标法实施条例》、《评标专家和评标专家库管理暂行办法》(国家发展计划委员会令第 29 号)和《云南省公共资源交易评标专家专业分类标准》(云发改招投标〔2021〕351号)及有关规定,制定本办法。
第二条 本办法适用于德宏州水利工程评标专家的资格认定、入库、考核及评标专家库的组建、使用、管理等活动。
第三条 本办法所称评标专家,是指进入德宏州水利局组建的德宏州水利工程评标专家库(以下简称“州级评标专家库”),为工程建设项目招标评标活动提供评标服务的专业技术人员。
第四条 德宏州水利局依法负责州级评标专家库的组建和管理工作。其主要职责:
(一)依据有关法律、法规和规章,制定州级评标专家库和评标专家管理制度。
(二)对申请进入州级评标专家库的人员进行资格认定、入库、培训、考核、监督和管理。
(三)按照“属地管理、分级负责”的原则依法受理处理水利工程招标投标活动的投诉,依法查处评标专家在评标过程中的违法、违规行为。
第五条 各县市水利局负责对本地区评标专家资格进行初审,并向德宏州水利局推荐;负责对参加所监督招标项目的评标专家进行评标违规行为记录;组织对本地区评标专家进行培训,协助德宏州水利局对州级评标专家库进行动态管理。
第二章 评标专家资格审查、认定
第六条 评标专家应当具备以下条件:
(一)具有较高的业务素质和良好的职业道德,能够公正、诚实、廉洁、认真负责地履行职责,自觉接受监督;
(二)熟悉招标投标法律法规和相关业务知识;
(三)德宏州水利系统在职非公务员及参公管理人员,从事水利相关专业领域工作满8年并具有高级职称或同等专业水平;
(四)负责或参加过水利工程招标、投标、评标、招投标管理及工程建设管理方面的工作;
(五)身体健康,能胜任评标工作,年龄在60周岁以下(具有正高级职称或享受政府特殊津贴者可不受此年龄限制);
(六)近年来参加过水利行业组织举办的招标投标法律法规、业务知识和职业道德培训考核合格;
(七)未曾因在招标、评标以及其他与招标投标有关活动中从事违法违纪行为而受过行政处罚被取消评标资格;
(八)未因犯罪受过刑事处罚。
第七条 评标专家申报入库程序:
评标专家采取个人申请、单位推荐、州水利局审核择优遴选认定的方式入库。
(一)德宏州水利局向有关单位印发组建州级评标专家库或动态调整、增补评标专家文件通知。
(二)有关单位负责通知本单位在职专业技术人员进行申报,由个人填写《德宏州水利工程评标专家库专家资格申请表》(以下简称《申请表》,详见附件一),并准备相关个人证明材料。
(三)申报人员认真如实、准确填写《申请表》,并附居民身份证、毕业证书、专业技术职务资格证书、专业技术职务聘任书等证明材料(复印件)提交所在单位审核,单位签署意见并加盖单位印章后统一由单位报送德宏州水利局,申请材料需报送纸质版和电子版各1份。
(四)德宏州水利局业务科室对申报人员申报材料进行资格复审提出初审意见,提交局党组会议或局务会议研究择优遴选进行专家资格认定,通过资格认定的人员由德宏州水利局录入州级评标专家库。州级评标专家库专家不对外公布。
第三章 评标专家库
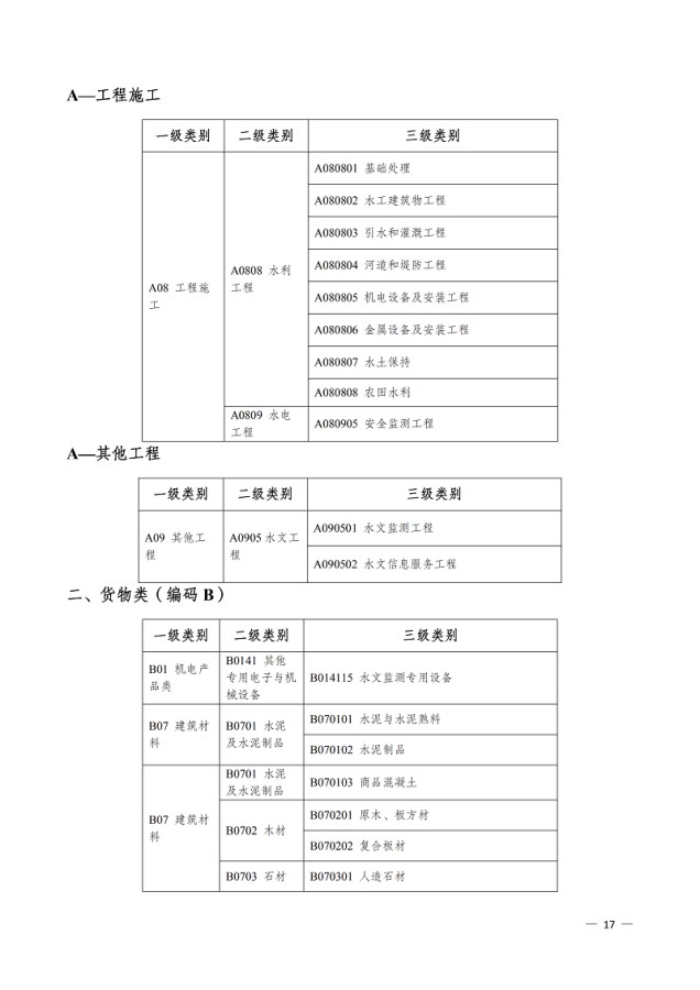
第八条 德宏州水利局依据《云南省公共资源交易评标专家专业分类标准》(云发改招投标〔2021〕351号),结合水利工程评标专业需要,设置州级评标专家库专业分类(详见附件二),按照评标专家专业分类入库。
第九条 州级评标专家库专家组成不限制各县市及各单位的人员比例,但须考虑评标专家的总人数和专业结构,总人数控制在60名左右。州级评标专家库实行动态管理,专家库专家调整、增补一般每三年进行一次。
第四章 评标专家抽取
第十条 德宏州全部或者部分使用中央资金或省级资金投资、全部或者部分使用政府资金投资(含国债)或者政府信用融资且依法必须进行招标的水利工程建设项目必须在州级评标专家库内抽取专家。其他项目可以根据需要在州级评标专家库内抽取专家。
第十一条 州级评标专家库为全州开展水利工程招标投标活动提供评标专家资源,各类水利工程的招标人或者其委托的招标代理机构均可以从州级评标专家库中免费抽取专家。
第十二条 招标人应当按照《水利工程招标备案表》的审核意见组建评标委员会。评标专家必须按照招标备案审核确定的专业组成在州、县市公共资源交易场所从州级评标专家库中随机抽取(有特殊技术要求的标段除外)。
第十三条 评标专家因需要回避或其他原因等退出评标后,应当按评标专家抽取规定重新抽取同专业专家予以补齐。
第五章 评标专家退出
第十四条 评标专家有下列情形之一的,终止其评标专家资格:
(一)无民事行为能力或者限制民事行为能力的;
(二)因身体健康原因不能胜任评标工作的;
(三)受过刑事处罚的,但过失犯罪的除外;
(四)因工作调动,不再适宜担任评标专家的;
(五)被开除公职或者曾被取消评标专家资格的;
(六)因个人原因,经本人书面申请不再担任评标专家的。
第十五条 评标专家有下列情形之一,经行政监督部门确认,给予警告;情节严重的取消其评标专家资格,并予以公告:
(一)私下接触投标人、招标人,为其出谋划策谋取私利的;
(二)非法收受所评标项目利害关系人的财物,或其他好处的;
(三)向他人透露对投标文件的评审和比较、中标候选人的推荐以及与评标有关的其他情况的;
(四)在评标过程中擅离职守,影响评标程序正常进行,或者在评标过程中不能客观公正地履行职责的;
(五)无正当理由拒绝参加评标活动的。
第六章 评标专家考核管理
第十六条 德宏州水利局对州级评标专家库专家实行考核管理,考核结果记入评标专家个人信用档案,作为州级评标专家库动态管理的重要依据。
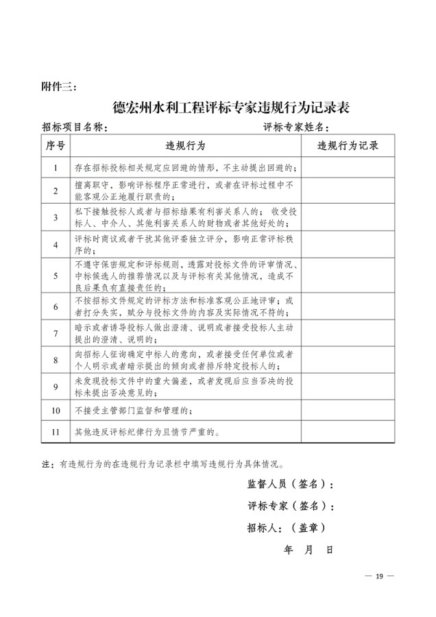
第十七条 德宏州水利局、各县市水利局负责对参加所监督招标项目评标专家的日常违规行为记录。在评标过程中,监督人员对评标专家按照《德宏州水利工程评标专家违规行为记录表》进行记录(详见附件三)。
在评标活动结束前,监督人员应当场公布违规行为记录情况,评标专家对违规行为记录有异议的,可以当场提出申诉。监督人员认为其申诉理由不成立,有权认定其违规行为,该评标专家评标无效。
在评标活动结束后3个工作日内,由各县市水利局监督人员将评标专家违规行为记录情况上报德宏州水利局,作为对评标专家年度考核的重要依据。
第十八条 德宏州水利局组成评标专家考核组,根据评标专家日常违规记录情况、考勤记录抽查及举报投诉处理情况进行违规行为记录汇总(详见附件四《德宏州水利工程评标专家年度违规行为汇总表》),结合评标专家的业务能力、评标表现、培训等情况进行综合评价,评标业务能力强、表现良好、无违规行为记录的评标专家,年度考核为合格;否则,年度考核为不合格。
第十九条 德宏州水利局负责州级评标专家库专家动态管理工作。调整州级评标专家库专家时,对考核合格的评标专家原则上保留入库;对不能履行评标专家义务或者考核不合格的评标专家,取消其评标专家资格,并从州级评标专家库中除名,三年内不予受理其评标专家资格申请。增补州级评标专家库专家时,对符合评标专家条件的申报人员按照本办法第七条规定程序认定公示后录入州级评标专家库。
第七章 评标专家责任制度
第二十条 评标专家享有以下权利:
(一)接受招标人或者其委托的招标代理机构聘请,担任招标项目评标委员会成员;
(二)依法对投标文件进行独立评审,提出评审意见,不受任何单位或者个人的干预;
(三)对评标过程中不公正行为向招标监督管理机构反映或者举报;
(四)按照有关规定,获得参加评标活动的劳务报酬;
(五)法律、法规和规章规定的其他权利。
第二十一条 评标专家应当履行以下义务:
(一)有《中华人民共和国招标投标法》、《中华人民共和国招标投标法实施条例》和《评标委员会和评标方法暂行规定》规定应回避的情形,应当主动提出回避;
(二)遵守评标工作纪律,不得私下接触投标人,不得收受投标人或者其他利害关系人的财物或者其他好处,不得透露对投标文件的评审和比较、中标候选人的推荐情况以及与评标有关的其他情况;
(三)准时参加评标活动,客观公正地进行评标,对其所提出的评审意见承担个人责任;
(四)参加主管部门组织的培训与考核;
(五)协助、配合有关行政监督部门的监督、检查;
(六)工作单位、职务职称和联系电话等信息发生变化时,及时告知德宏州水利局;
(七)法律、法规和规章规定的其他义务。
第二十二条 评标专家有下列情形之一的,不得担任评标委员会成员:
(一)投标人或投标人主要负责人的近亲属;
(二)项目主管部门或者行政监督部门的人员;
(三)与招标人、投标人有经济利益关系,可能影响公正评审的;
(四)在三年内与投标人曾有工作关系的;
(五)曾因在招标、评标以及其他与招标投标有关活动中因违法行为而受过行政处罚或者刑事处罚的;
(六)其他影响公正评标需要回避的情形。
评标委员会成员有前款规定情形之一的,应当主动申请回避;不主动申请回避的,招标人或投标人有权向有关行政主管部门申请其回避,有关行政主管部门一经发现,应当立即终止其评标活动,并暂停其参加德宏州水利工程的评标资格。
第八章 附 则
第二十三条 评标专家在评标工作中发生违法违规行为的,依照《中华人民共和国招标投标法》、《评标委员会和评标方法暂行规定》、《评标专家和评标专家库管理暂行办法》(国家发展计划委员会令第 29 号)等有关法律、法规和规章的规定,给予行政处罚;构成犯罪的,依法追究刑事责任。
第二十四条 招标人违反本办法规定确定评标专家进行评标的,评标无效;给他人造成损失的,由招标人或者其委托的代理机构依法赔偿;情节严重的,由有关行政监督部门依法处理。
第二十五条 本办法由州水利局负责解释。
第二十六条 本办法自2021年8月6日起施行。




文章来源:德宏州水利局
滇公网安备 53310302000145号



